L500 TWO COLOR TRANSPARENT TYPE LEVEL GAUGE
 
    Description
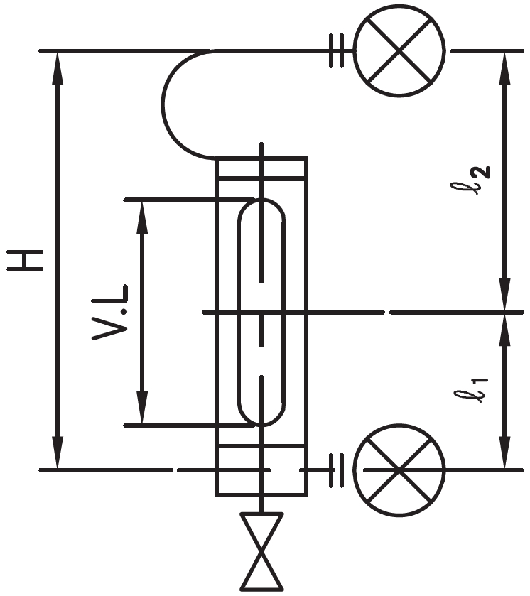
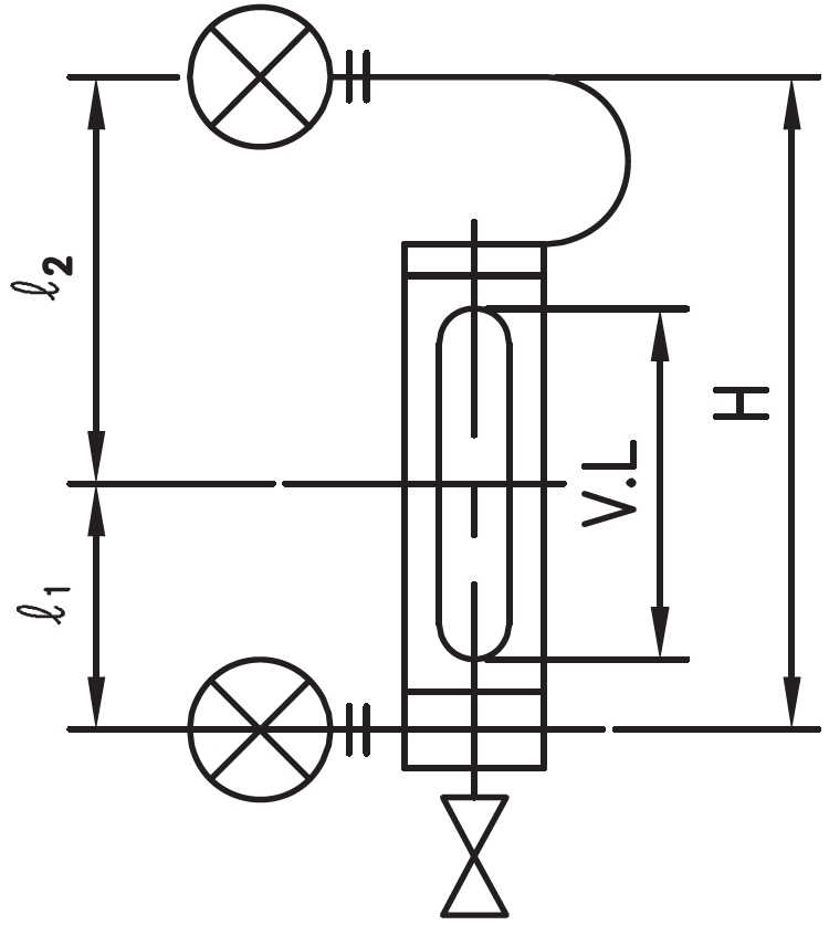
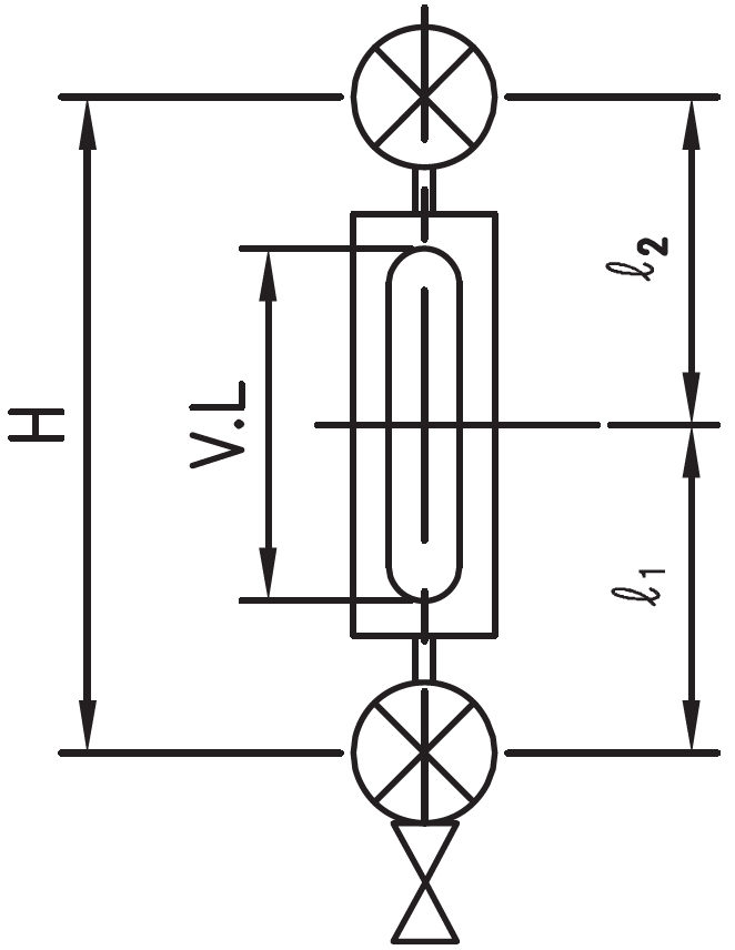
The body of the two color type gauges are V shaped on it’s angle, as you see in the cross sectional view, in order split light from illuminator (installed behind the gauge) into two colors which are green and red. The cover plates of these models are all provided with rib reinforcement.
All features and specifications subject to change without notice, delivery subject to availability, correction of errors and omissions excepted.
 
											








 
		 
		 
		 
		
 
               
               
               
               
               
               
               
               
               
               
               
               
               
               
               
               
              



